24小时专业咨询热线
136-9218-9994
首页
柱塞泵+齿轮泵
叶片泵
液压阀
关于我们
新闻动态
联系我们
产品中心
柱塞泵+齿轮泵
叶片泵
液压阀
联系方式
联系人:宋小姐、胡小姐、张先生
手机:136-9218-9994
电话:0755-27120370
传真:0755-23248086
QQ:1410876570
邮箱:1410876570@qq.COM
地址:深圳市宝安区福永镇凤凰工业区第3栋
产品详情
当前位置:
首页
> 柱塞泵+齿轮泵
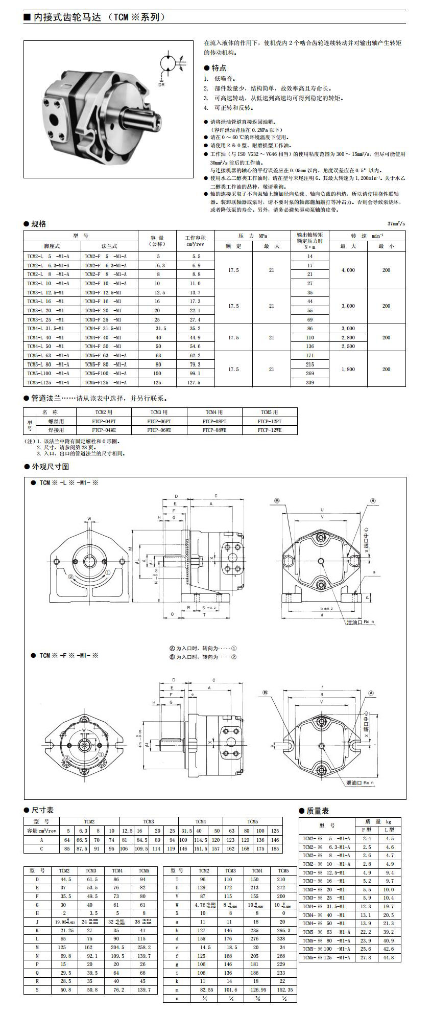
TCM2-L5-M1-A(-G)式齿轮马达
上一條
返回目录
这是最后一条了